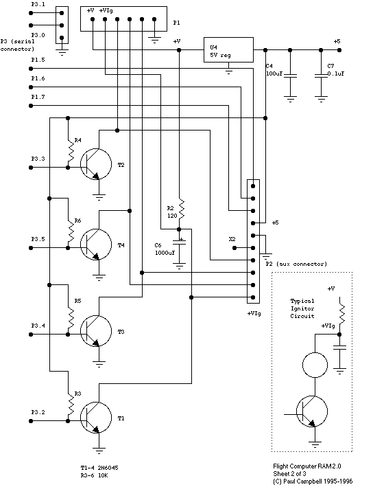
Taniwha Flight Computer 2.0 Sheet 2

Sheet 1

Sheet 3

Back to home page