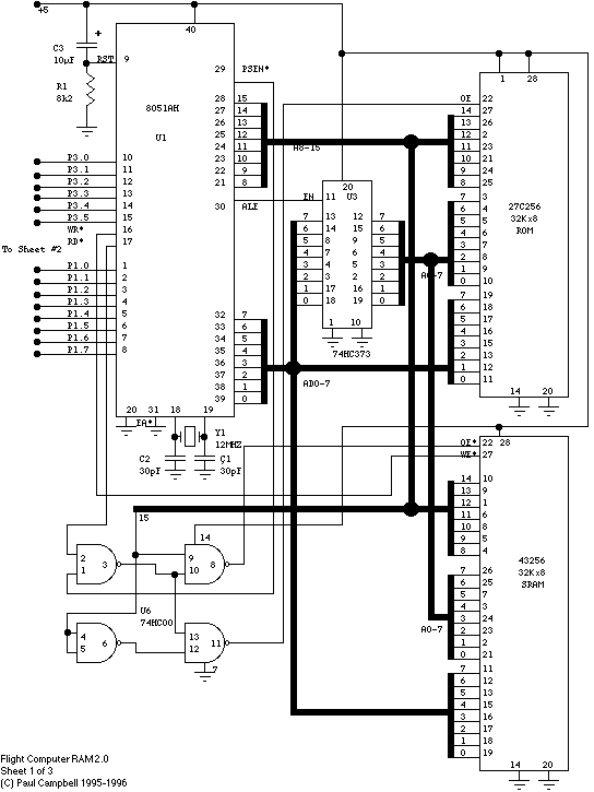
Taniwha Flight Computer 2.0 Sheet 1

Sheet 2

Back to home page