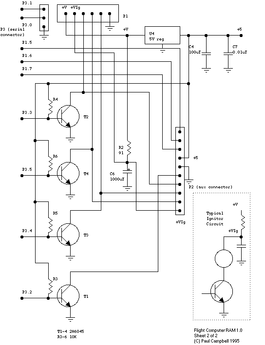
Taniwha Flight Computer Sheet 2

Sheet 1

Back to home page