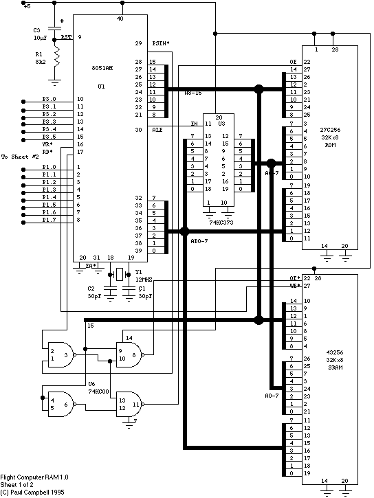
Taniwha Flight Computer Sheet 1

Sheet 2

Back to home page